Email: sales@xtalong.com Tel: +86-28-80192520
频率:100MHz
3dB 通带宽度(kHz):4.0~7.0
28dB 阻带宽度(kHz):≤±60
插入损耗(dB):≤3.0
这是一款紧凑型工业级晶体滤波器,中心频率为 100MHz。它具有窄 3dB 带宽(4-7kHz)、低插入损耗(≤3dB)和出色的阻带抑制。采用 UM-1 封装,可在 -40°C 至 +70°C 的温度范围内稳定工作。是高精度频率控制应用的理想之选。
规格 | 产品编码 | XTALCF-100M-132-B7T | |
规格 | 值 | ||
1 | 中心频率(MHz) | 100.000(三次谐波) | |
2 | 3dB通带宽度(kHz) | 4.0~7.0 | |
3 | 28dB阻带宽度(kHz) | ≤±60 | |
4 | 插入损耗(dB) | ≤3.0 | |
5 | 带内波动(dB) | ≤1.0 | |
6 | 寄生抑制(dB) | >10(±10kHz~±100kHz) | |
7 | 工作温度(℃) | -40~+70 | |
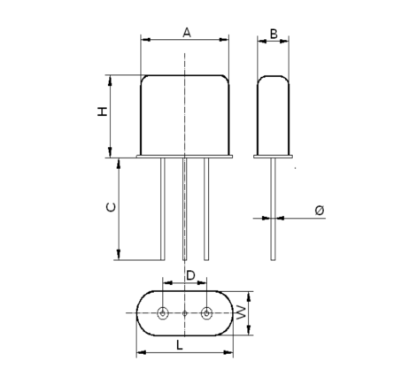
8 | 尺寸(mm) | UM-1 | |
9 | 输入&输出 | 输入/输出:400nH//5.0PF | |
10 | 级别 | 工业级 | |

Model | L | W | H | A | B | C | D | 3-Φ |
UM-1 | 7.8±0.2 | 3.2max | 8.0max | 7.0max | 2.3±0.2 | 13.2±1.0 | 3.75±0.20 | 0.35±0.05 |
联系人:Katya Vane
手机:+86-18884136031
电话:+86-28-80192520
邮箱:sales@xtalong.com
地址: No.4 of XinHang Road, West of High-tech zone, Chengdu City 611731, China